Официальное опубликование правовых актов
ОФИЦИАЛЬНОЕ ОПУБЛИКОВАНИЕ
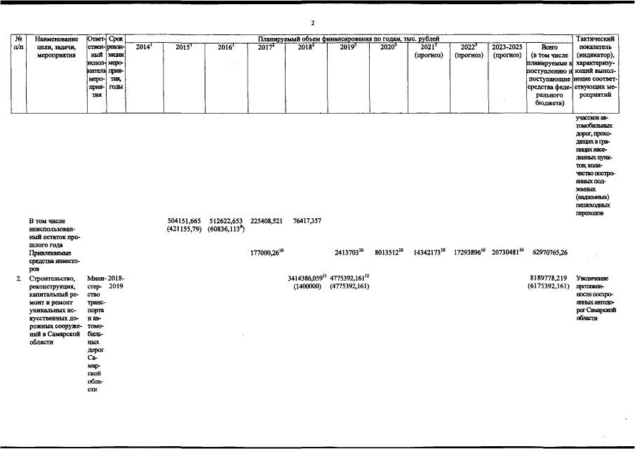
Постановление Правительства Самарской области от 17.12.2018 № 789
"О внесении изменений в постановление Правительства Самарской области от 27.11.2013 № 677 "Об утверждении государственной программы Самарской области "Развитие транспортной системы Самарской области (2014 – 2025 годы)"
Номер опубликования: 6300201812200027
Дата опубликования: 20.12.2018
Страница №16 из 127:
Увеличить