Официальное опубликование правовых актов
ОФИЦИАЛЬНОЕ ОПУБЛИКОВАНИЕ
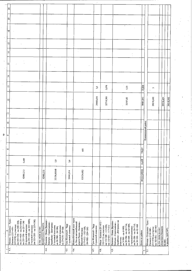
Постановление Правительства Рязанской области от 13.02.2018 № 30
"О внесении изменений в постановление Правительства Рязанской области от 30 октября 2013 г. № 358 "Об утверждении государственной программы Рязанской области "Дорожное хозяйство и транспорт на 2014-2022 годы" (в редакции постановлений Правительства Рязанской области от 19.03.2014 № 64, от 14.05.2014 № 123, от 16.07.2014 № 202, от 09.09.2014 № 254, от 10.12.2014 № 364, от 23.12.2014 № 397, от 21.01.2015 № 1, от 26.02.2015№ 29, от 23.04.2015 № 86, от 29.05.2015 № 121, от 12.08.2015 № 195, от 09.09.2015 № 219, от 21.10.2015 № 262, от 02.12.2015 № 294, от 23.03.2016 № 50, от 02.06.2016 № 123, от 20.07.2016 № 162, от 28.09.2016 № 223, от 16.11.2016 № 256, от 23.12.2016 № 302, от 08.02.2017 № 15, от 21.02.2017 № 34, от 05.04.2017 № 58, от 30.05.2017 № 127, от 28.09.2017 № 227, от 08.11.2017 № 276, от 12.12.2017 № 339)"
Номер опубликования: 6200201802190007
Дата опубликования: 19.02.2018
Страница №39 из 200:
Увеличить