Официальное опубликование правовых актов
ОФИЦИАЛЬНОЕ ОПУБЛИКОВАНИЕ
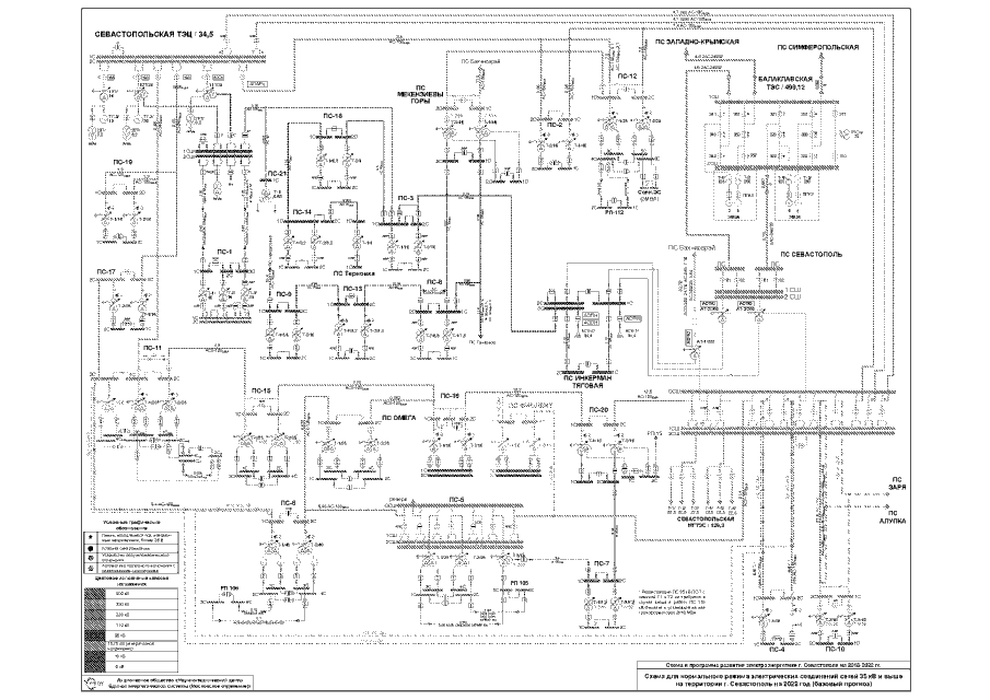
Распоряжение Губернатора города Севастополя от 20.12.2018 № 559-РГ
"Об утверждении схемы и программы перспективного развития электроэнергетики города Севастополя на 2018-2022 годы"
Номер опубликования: 9200201812240001
Дата опубликования: 24.12.2018
Страница №137 из 607:
Увеличить