Официальное опубликование правовых актов
ОФИЦИАЛЬНОЕ ОПУБЛИКОВАНИЕ
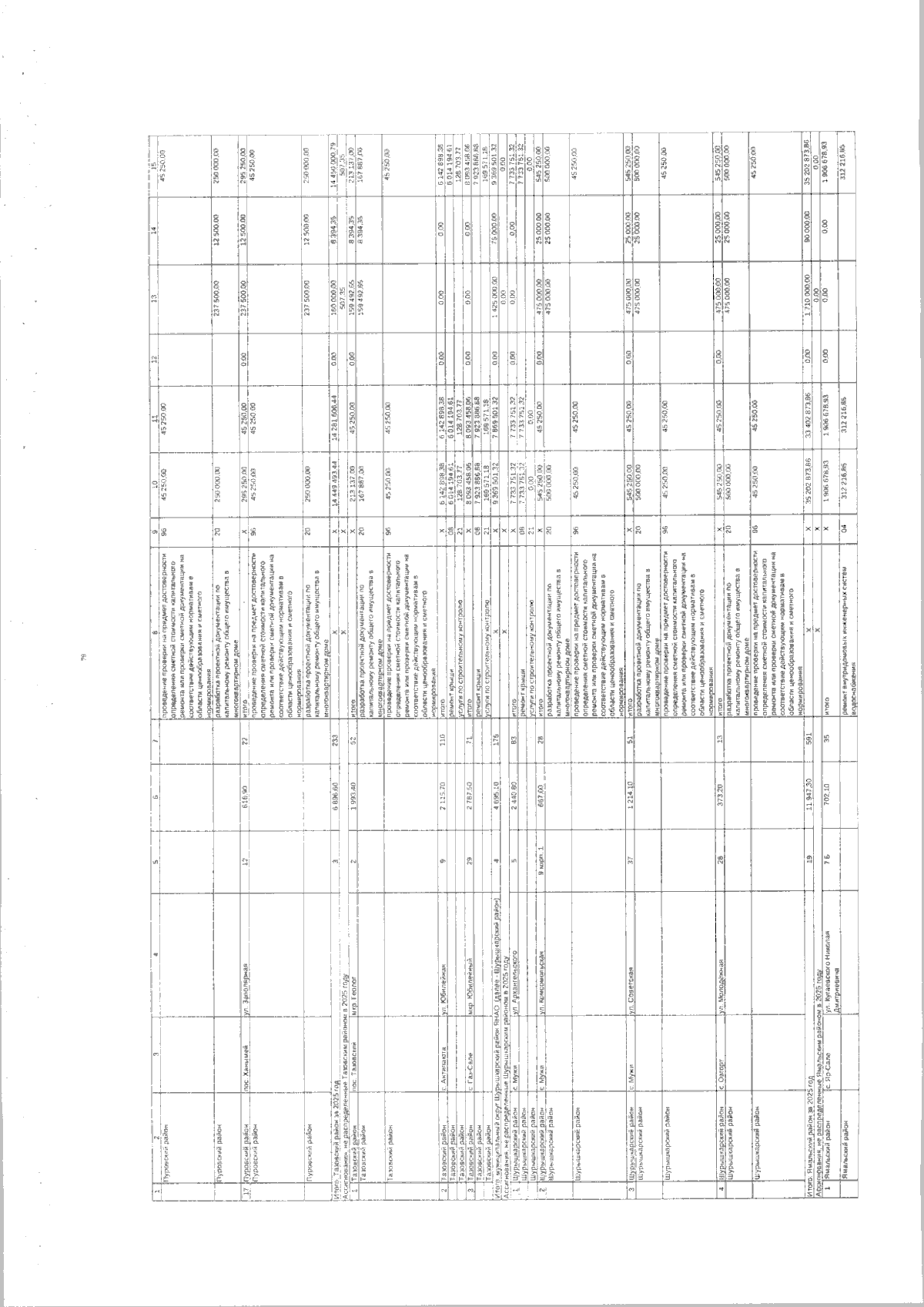
Постановление Правительства Ямало-Ненецкого автономного округа от 20.12.2023 № 956-П
"О внесении изменения в региональный краткосрочный план реализации региональной программы капитального ремонта общего имущества в многоквартирных домах, расположенных на территории Ямало-Ненецкого автономного округа, на 2023 – 2025 годы"
Номер опубликования: 8900202312210006
Дата опубликования: 21.12.2023
Страница №80 из 83:
Увеличить