Официальное опубликование правовых актов
ОФИЦИАЛЬНОЕ ОПУБЛИКОВАНИЕ
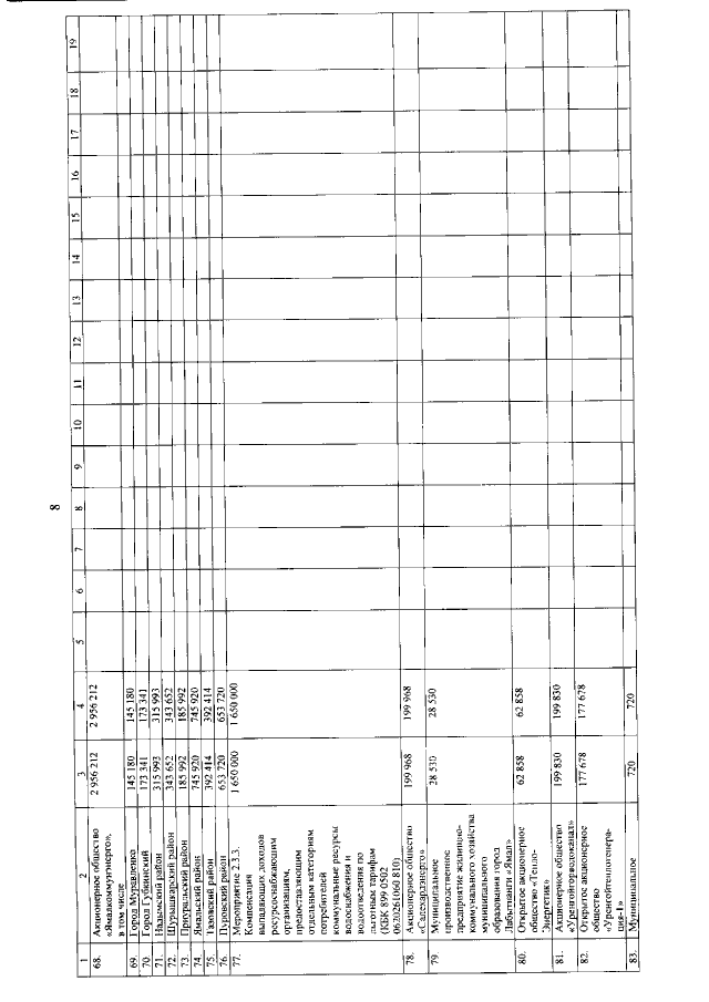
Постановление Правительства Ямало-Ненецкого автономного округа от 29.12.2016 № 1235-П
"Об утверждении детализированного перечня мероприятий подпрограмм государственной программы Ямало-Ненецкого автономного округа "Энергоэффективность и развитие энергетики, обеспечение качественными жилищно-коммунальными услугами населения на 2014 – 2020 годы" на 2017 год"
Номер опубликования: 8900201701030010
Дата опубликования: 03.01.2017
Страница №9 из 25:
Увеличить