Официальное опубликование правовых актов
ОФИЦИАЛЬНОЕ ОПУБЛИКОВАНИЕ
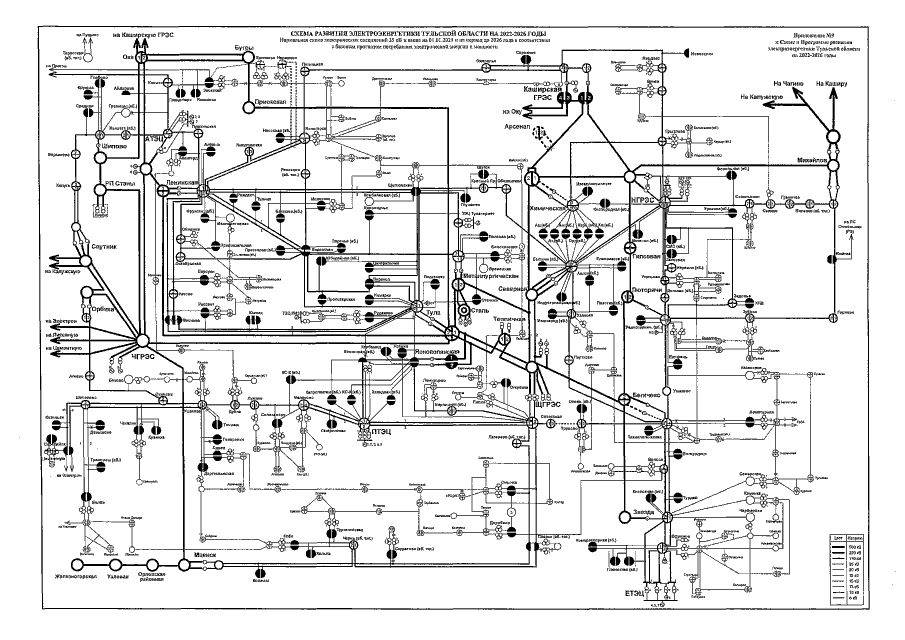
Постановление Правительства Тульской области от 30.04.2021 № 233
"Об утверждении Схемы и Программы развития электроэнергетики Тульской области на 2022-2026 годы"
Номер опубликования: 7100202105050004
Дата опубликования: 05.05.2021
Страница №269 из 270:
Увеличить