Официальное опубликование правовых актов
ОФИЦИАЛЬНОЕ ОПУБЛИКОВАНИЕ
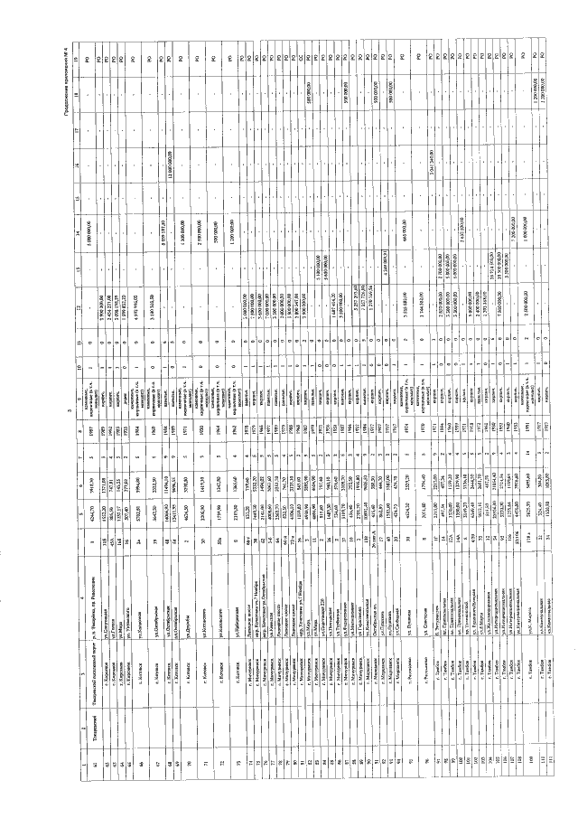
Постановление Правительства Тамбовской области от 22.11.2022 № 97
"О внесении изменений в отдельные постановления администрации области"
Номер опубликования: 6800202211240001
Дата опубликования: 24.11.2022
Страница №106 из 158:
Увеличить