Официальное опубликование правовых актов
ОФИЦИАЛЬНОЕ ОПУБЛИКОВАНИЕ
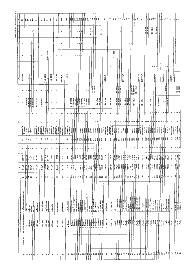
Постановление администрации Тамбовской области от 31.05.2022 № 418
"О внесении изменений в отдельные постановления администрации области"
Номер опубликования: 6800202206020024
Дата опубликования: 02.06.2022
Страница №103 из 148:
Увеличить