Официальное опубликование правовых актов
ОФИЦИАЛЬНОЕ ОПУБЛИКОВАНИЕ
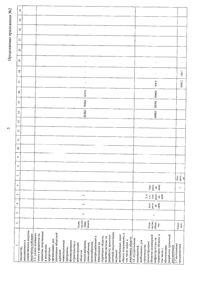
Постановление администрации Тамбовской области от 11.03.2022 № 199
"О внесении изменений в Государственную программу Тамбовской области "Обеспечение доступным и комфортным жильем и коммунальными услугами населения области"
Номер опубликования: 6800202203150004
Дата опубликования: 15.03.2022
Страница №38 из 105:
Увеличить