Официальное опубликование правовых актов
ОФИЦИАЛЬНОЕ ОПУБЛИКОВАНИЕ
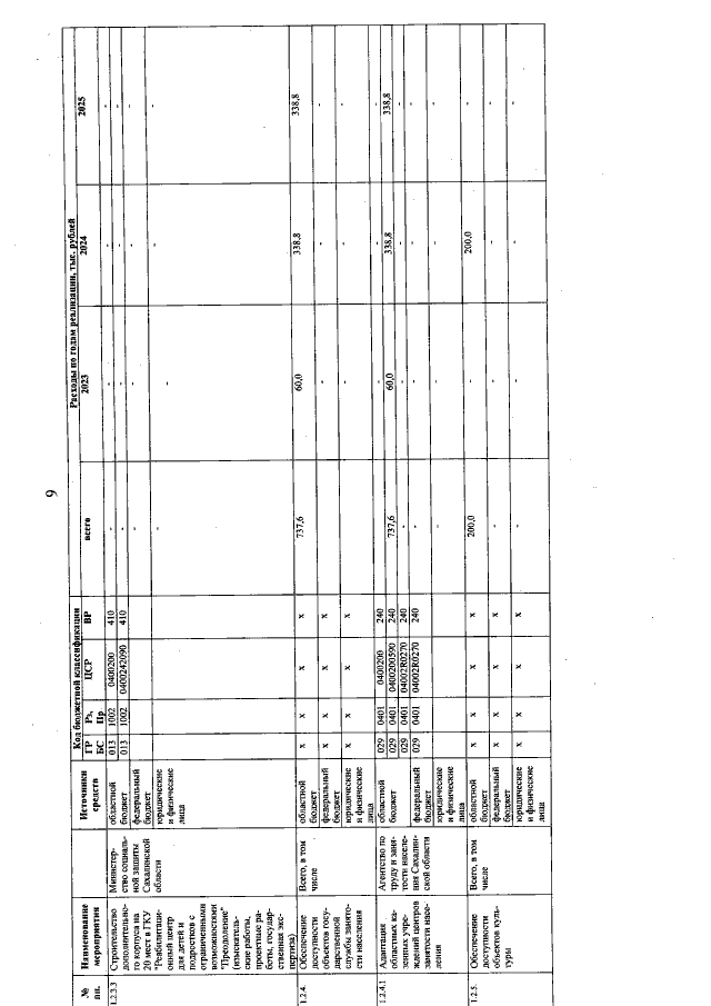
Постановление Правительства Сахалинской области от 21.02.2020 № 71
"О внесении изменений в государственную программу Сахалинской области "Доступная среда в Сахалинской области", утвержденную постановлением Правительства Сахалинской области от 31.05.2013 № 280"
Номер опубликования: 6500202002280001
Дата опубликования: 28.02.2020
Страница №66 из 94:
Увеличить