Официальное опубликование правовых актов
ОФИЦИАЛЬНОЕ ОПУБЛИКОВАНИЕ
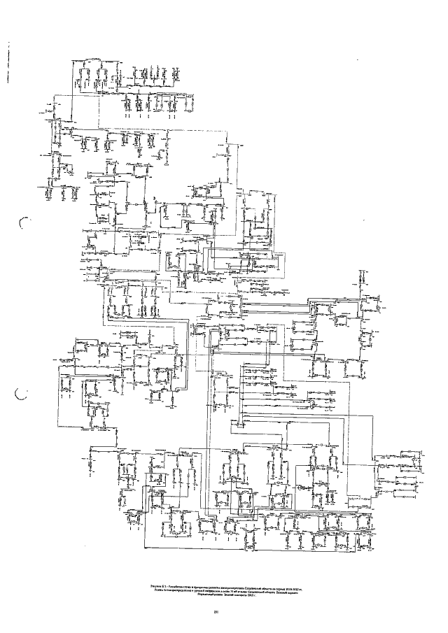
Указ Губернатора Сахалинской области от 28.04.2018 № 12
"Об утверждении Схемы и Программы развития электроэнергетики Сахалинской области на 2018 - 2022 годы"
Номер опубликования: 6500201805040013
Дата опубликования: 04.05.2018
Страница №233 из 350:
Увеличить