Официальное опубликование правовых актов
ОФИЦИАЛЬНОЕ ОПУБЛИКОВАНИЕ
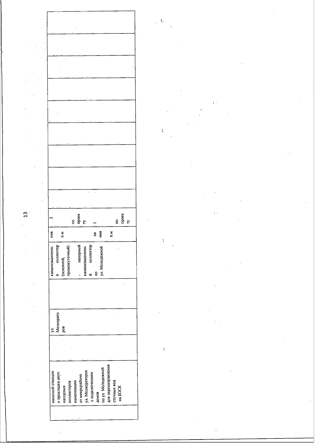
Приказ Министерства тарифов и энергетики Псковской области от 30.10.2025 № 41
"О внесении изменений в инвестиционную программу муниципального предприятия по эксплуатации систем водоснабжения и водоотведения "Водоканал" г. Великие Луки в сфере водоотведения на 2023 -2025 годы"
(Зарегистрирован 31.10.2025 № 2447)
Номер опубликования: 6001202511060004
Дата опубликования: 06.11.2025
Страница №13 из 41:
Увеличить