Официальное опубликование правовых актов
ОФИЦИАЛЬНОЕ ОПУБЛИКОВАНИЕ
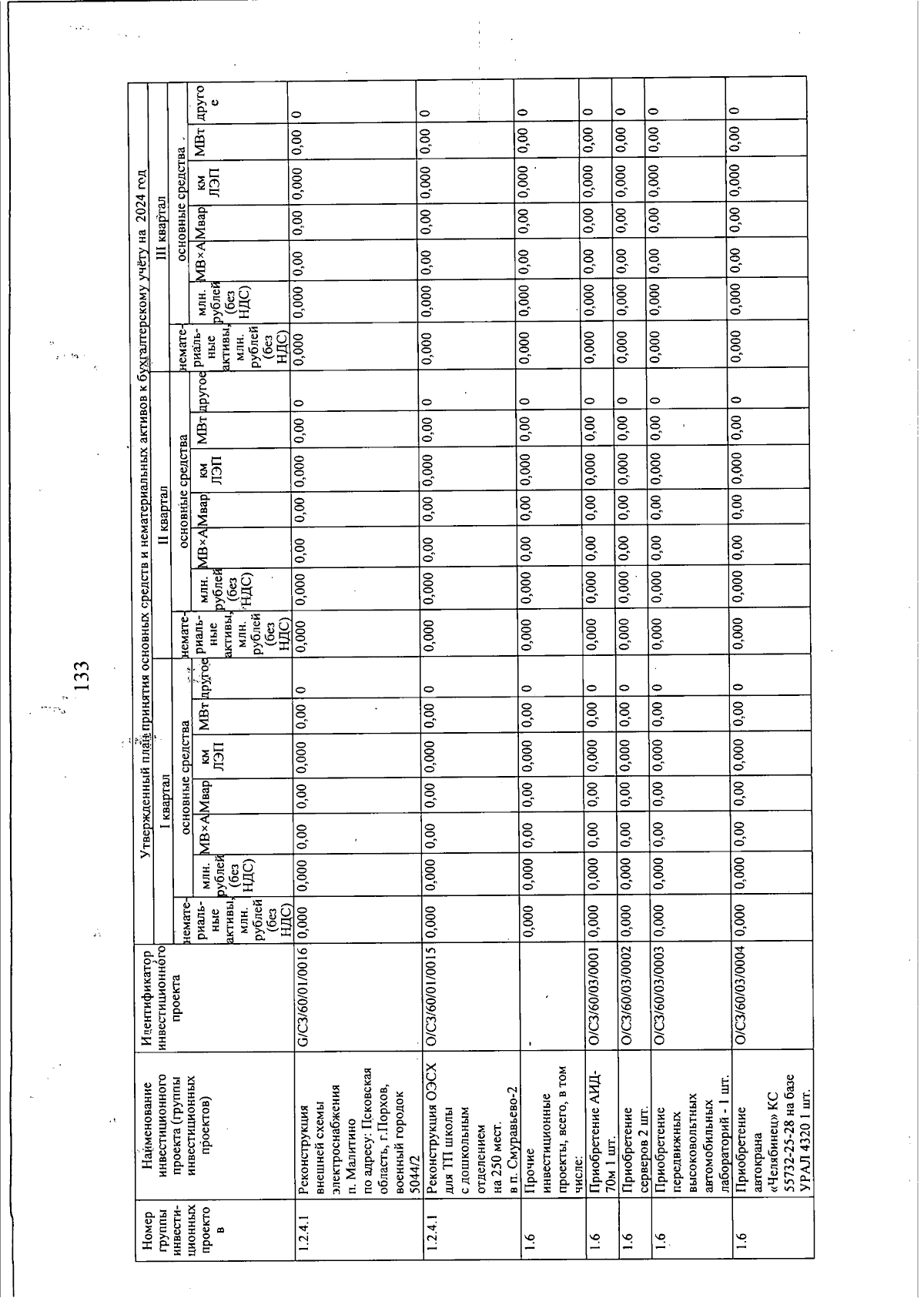
Приказ Комитета по тарифам и энергетике Псковской области от 07.10.2024 № 84
"Об утверждении инвестиционной программы АО "Оборонэнерго" (филиал "Северо-Западный" АО "Оборонэнерго") на 2024 - 2029 годы по Псковской области"
(Зарегистрирован 08.10.2024 № 1300)
Номер опубликования: 6001202410100001
Дата опубликования: 10.10.2024
Страница №133 из 172:
Увеличить