Официальное опубликование правовых актов
ОФИЦИАЛЬНОЕ ОПУБЛИКОВАНИЕ
Приказ Комитета по тарифам и энергетике Псковской области от 28.10.2022 № 59
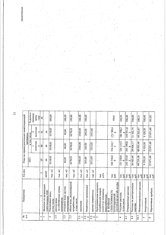
"Об утверждении инвестиционной программы муниципального предприятия по эксплуатации систем водоснабжения и водоотведения "Водоканал" г. Великие Луки в сфере водоснабжения на 2023 - 2031 годы"
Номер опубликования: 6001202211010004
Дата опубликования: 01.11.2022
Страница №32 из 38:
Увеличить