Официальное опубликование правовых актов
ОФИЦИАЛЬНОЕ ОПУБЛИКОВАНИЕ
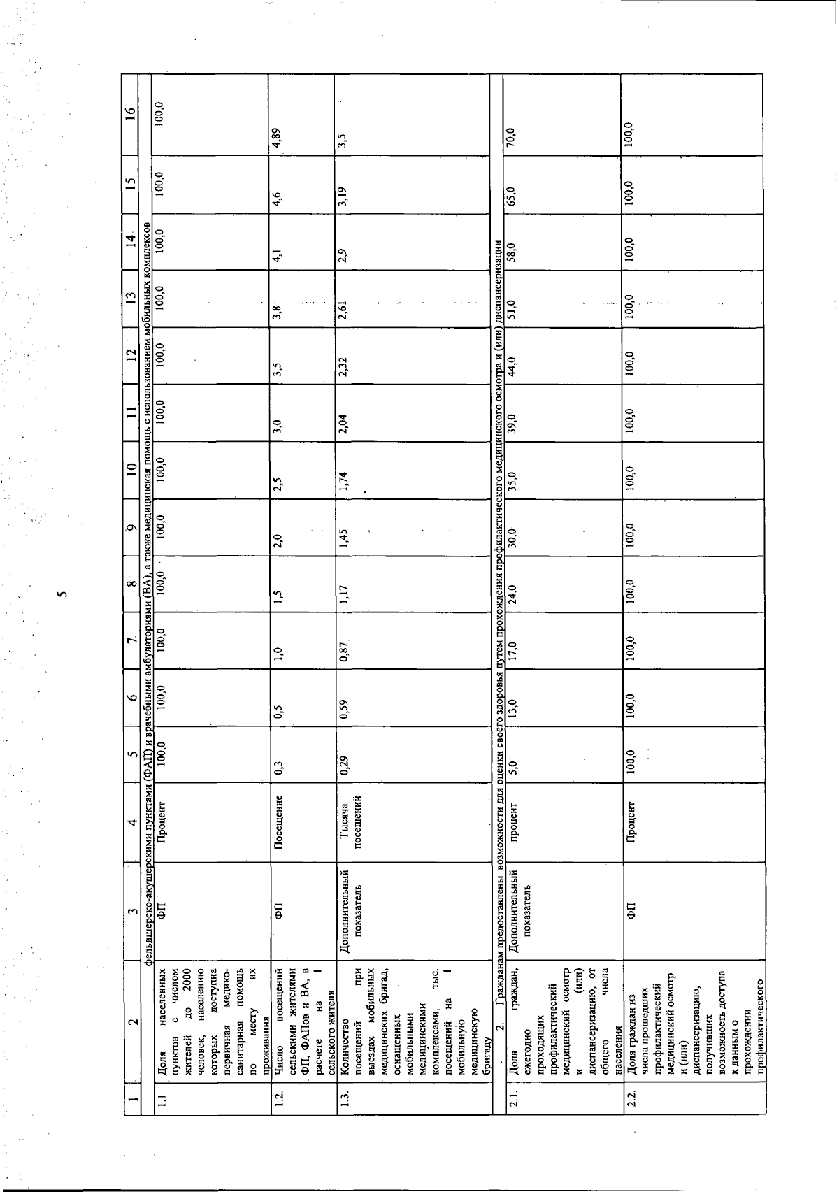
Постановление Правительства Орловской области от 28.12.2024 № 920
"О внесении изменения в постановление Правительства Орловской области от 17 декабря 2019 года № 695 "Об утверждении государственной программы Орловской области "Развитие отрасли здравоохранения в Орловской области"
Номер опубликования: 5700202501030017
Дата опубликования: 03.01.2025
Страница №137 из 388:
Увеличить