Официальное опубликование правовых актов
ОФИЦИАЛЬНОЕ ОПУБЛИКОВАНИЕ
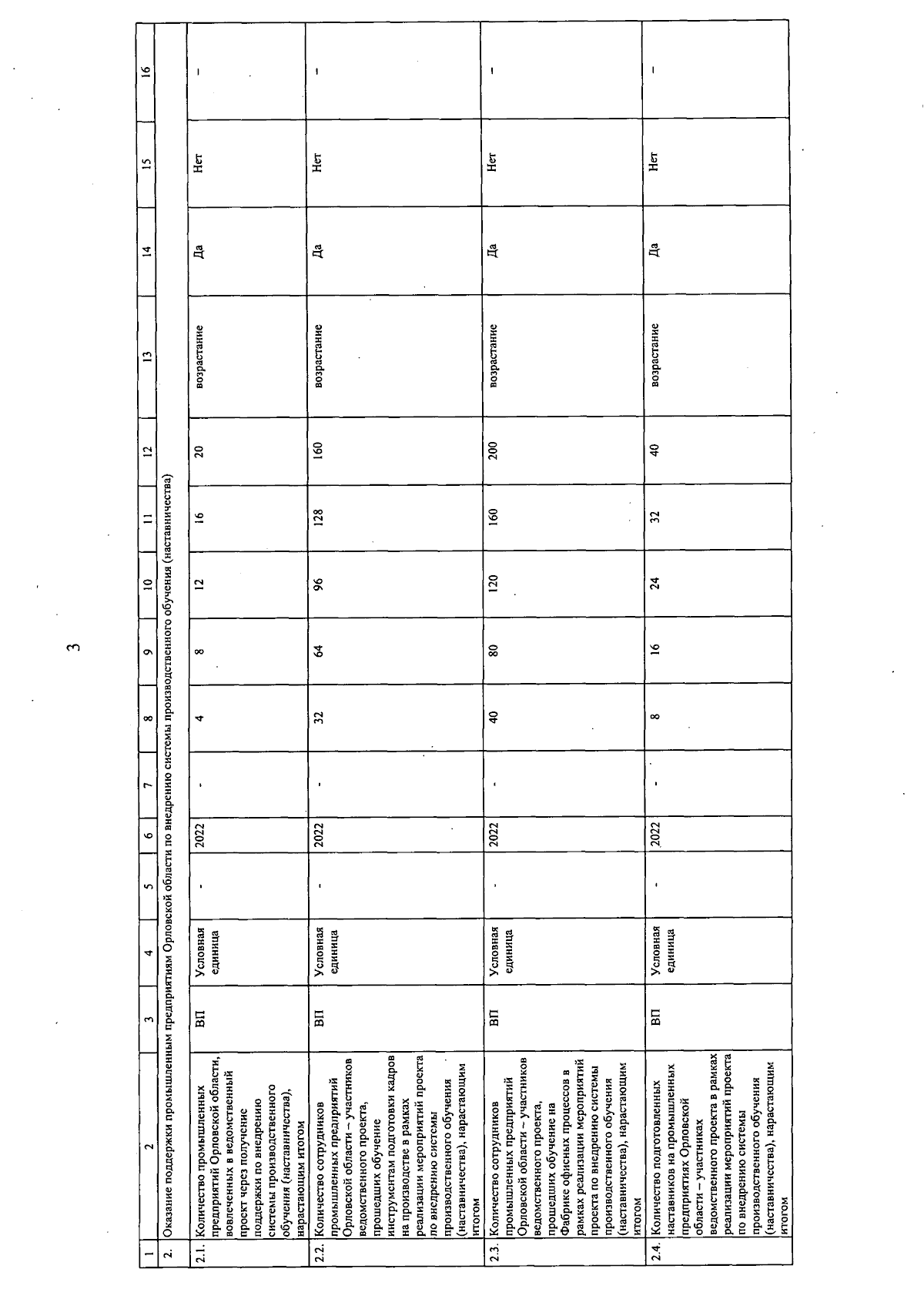
Постановление Правительства Орловской области от 19.12.2024 № 827
"О внесении изменения в постановление Правительства Орловской области от 28 декабря 2020 года № 820 "Об утверждении государственной программы Орловской области "Развитие промышленности Орловской области"
Номер опубликования: 5700202412190012
Дата опубликования: 19.12.2024
Страница №53 из 85:
Увеличить