Официальное опубликование правовых актов
ОФИЦИАЛЬНОЕ ОПУБЛИКОВАНИЕ
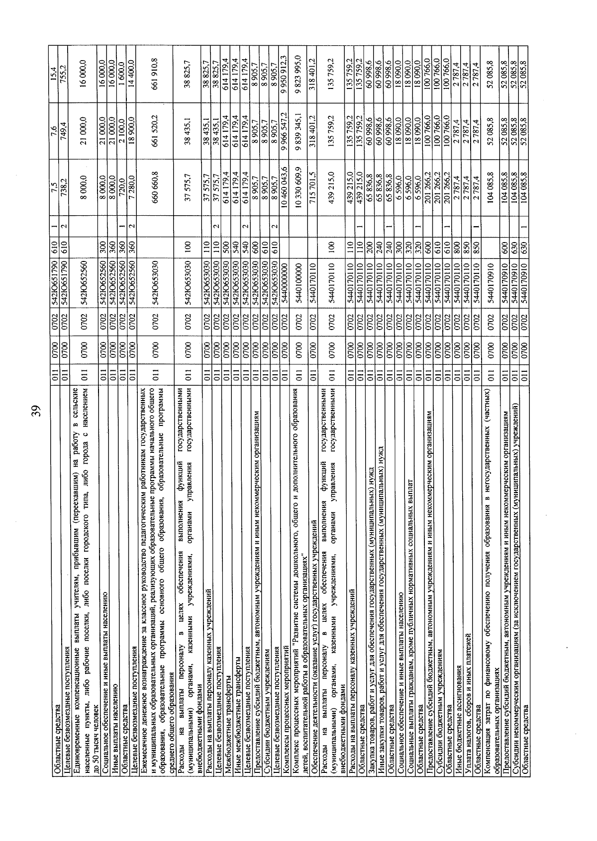
Закон Орловской области от 03.12.2024 № 3137-ОЗ
"Об областном бюджете на 2025 год и на плановый период 2026 и 2027 годов"
Номер опубликования: 5700202412040015
Дата опубликования: 04.12.2024
Страница №156 из 361:
Увеличить