Официальное опубликование правовых актов
ОФИЦИАЛЬНОЕ ОПУБЛИКОВАНИЕ
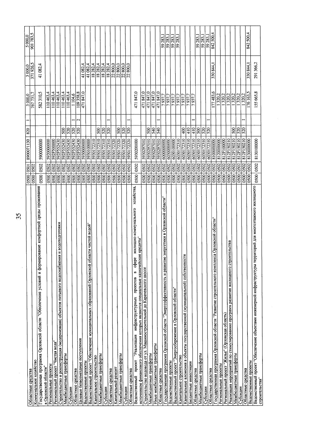
Закон Орловской области от 28.11.2024 № 3133-ОЗ
"О внесении изменений в Закон Орловской области "Об областном бюджете на 2024 год и на плановый период 2025 и 2026 годов"
Номер опубликования: 5700202411280004
Дата опубликования: 28.11.2024
Страница №49 из 314:
Увеличить