Официальное опубликование правовых актов
ОФИЦИАЛЬНОЕ ОПУБЛИКОВАНИЕ
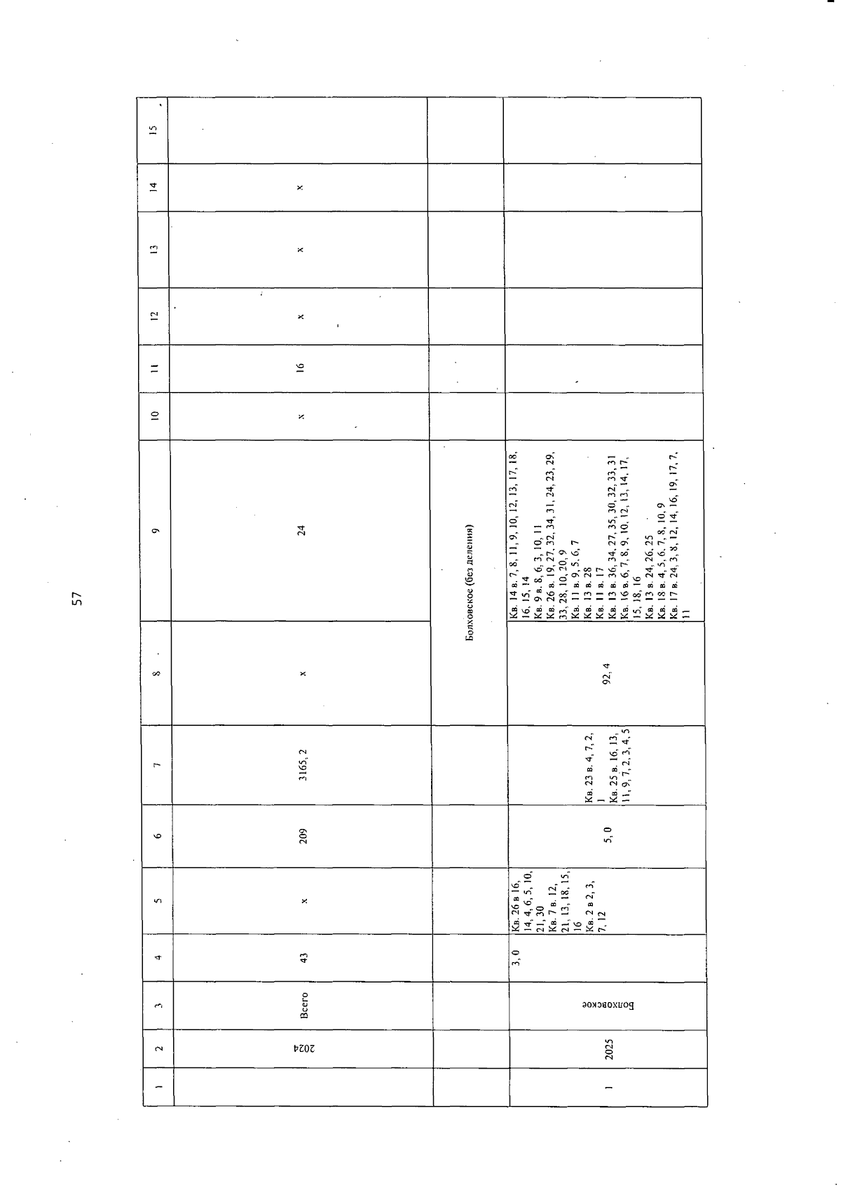
Указ Губернатора Орловской области от 16.08.2024 № 474
"Об утверждении плана противопожарного обустройства лесов на территории Орловской области"
Номер опубликования: 5700202408210005
Дата опубликования: 21.08.2024
Страница №58 из 209:
Увеличить