Официальное опубликование правовых актов
ОФИЦИАЛЬНОЕ ОПУБЛИКОВАНИЕ
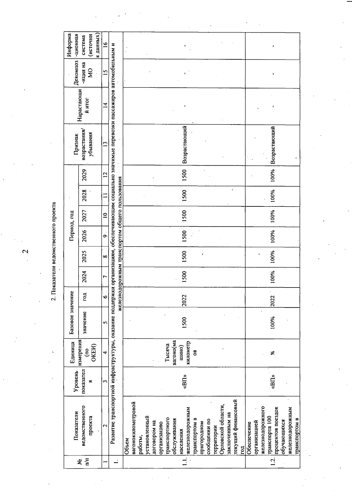
Постановление Правительства Орловской области от 25.03.2024 № 195
"О внесении изменений в постановление Правительства Орловской области от 15 января 2019 года № 8 "Об утверждении государственной программы Орловской области "Развитие транспортной системы в Орловской области"
Номер опубликования: 5700202403270005
Дата опубликования: 27.03.2024
Страница №100 из 140:
Увеличить