Официальное опубликование правовых актов
ОФИЦИАЛЬНОЕ ОПУБЛИКОВАНИЕ
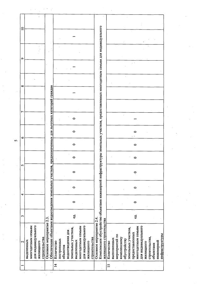
Постановление Правительства Орловской области от 29.12.2022 № 862
"О внесении изменений в постановление Правительства Орловской области от 26 июля 2021 года № 422 "Об утверждении государственной программы Орловской области "Развитие строительного комплекса Орловской области"
Номер опубликования: 5700202212300011
Дата опубликования: 30.12.2022
Страница №21 из 37:
Увеличить