Официальное опубликование правовых актов
ОФИЦИАЛЬНОЕ ОПУБЛИКОВАНИЕ
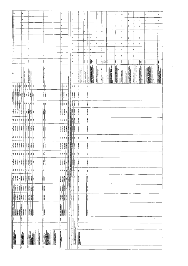
Распоряжение Правительства Омской области от 17.05.2017 № 52-рп
"О результатах оценки эффективности реализации государственной программы Омской области "Развитие экономического потенциала Омской области" за 2016 год"
Номер опубликования: 5500201705190004
Дата опубликования: 19.05.2017
Страница №6 из 17:
Увеличить