Официальное опубликование правовых актов
ОФИЦИАЛЬНОЕ ОПУБЛИКОВАНИЕ
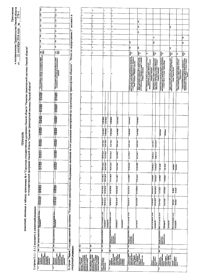
Постановление Правительства Омской области от 21.09.2016 № 278-п
"О внесении изменений в постановление Правительства Омской области от 16 октября 2013 года № 262-п"
Номер опубликования: 5500201609220013
Дата опубликования: 22.09.2016
Страница №3 из 5:
Увеличить