Официальное опубликование правовых актов
ОФИЦИАЛЬНОЕ ОПУБЛИКОВАНИЕ
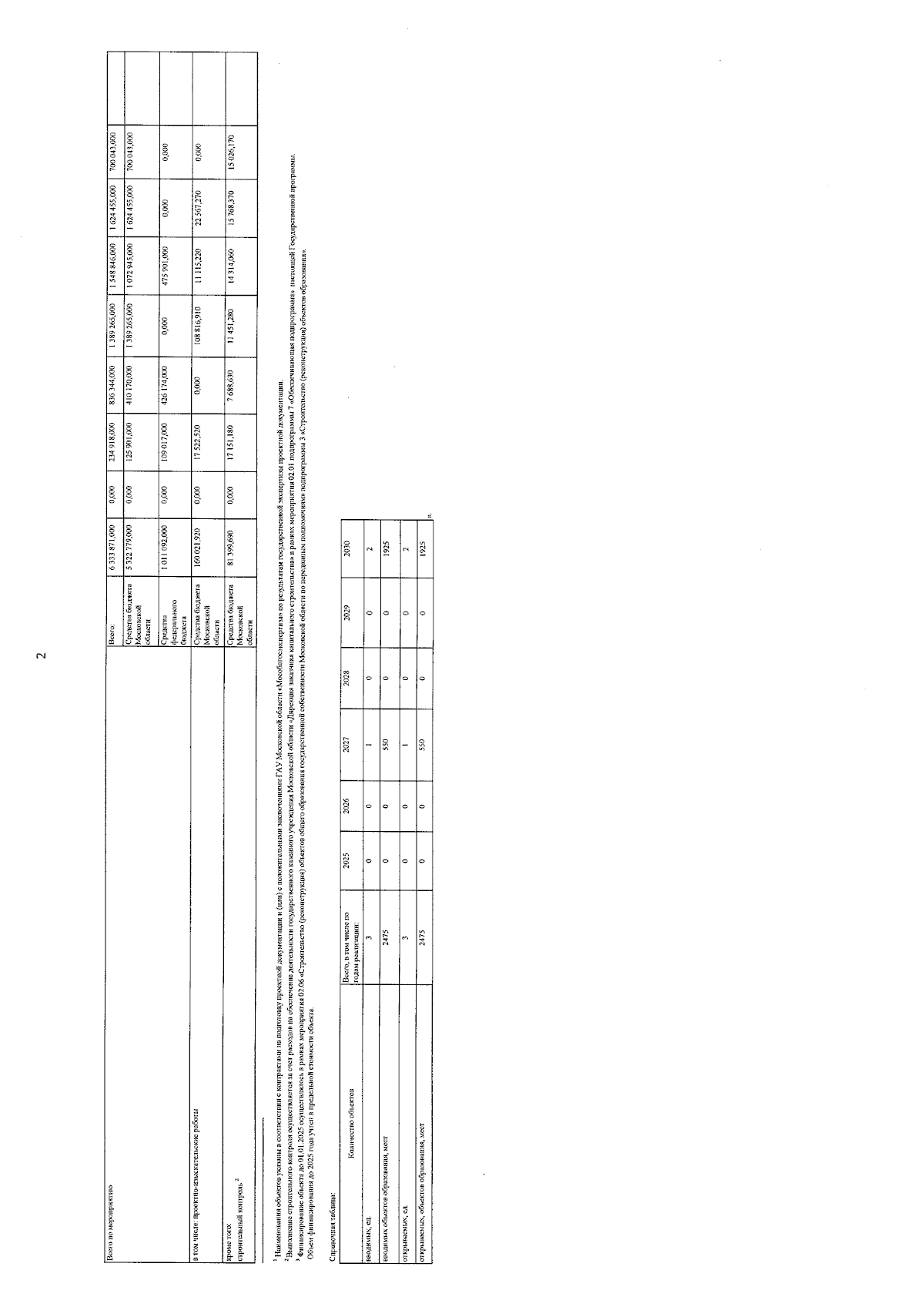
Постановление Правительства Московской области от 29.12.2025 № 1842-ПП
"О внесении изменений в государственную программу Московской области "Строительство и капитальный ремонт объектов социальной инфраструктуры" на 2023-2030 годы"
Номер опубликования: 5000202512310010
Дата опубликования: 31.12.2025
Страница №82 из 129:
Увеличить