Официальное опубликование правовых актов
ОФИЦИАЛЬНОЕ ОПУБЛИКОВАНИЕ
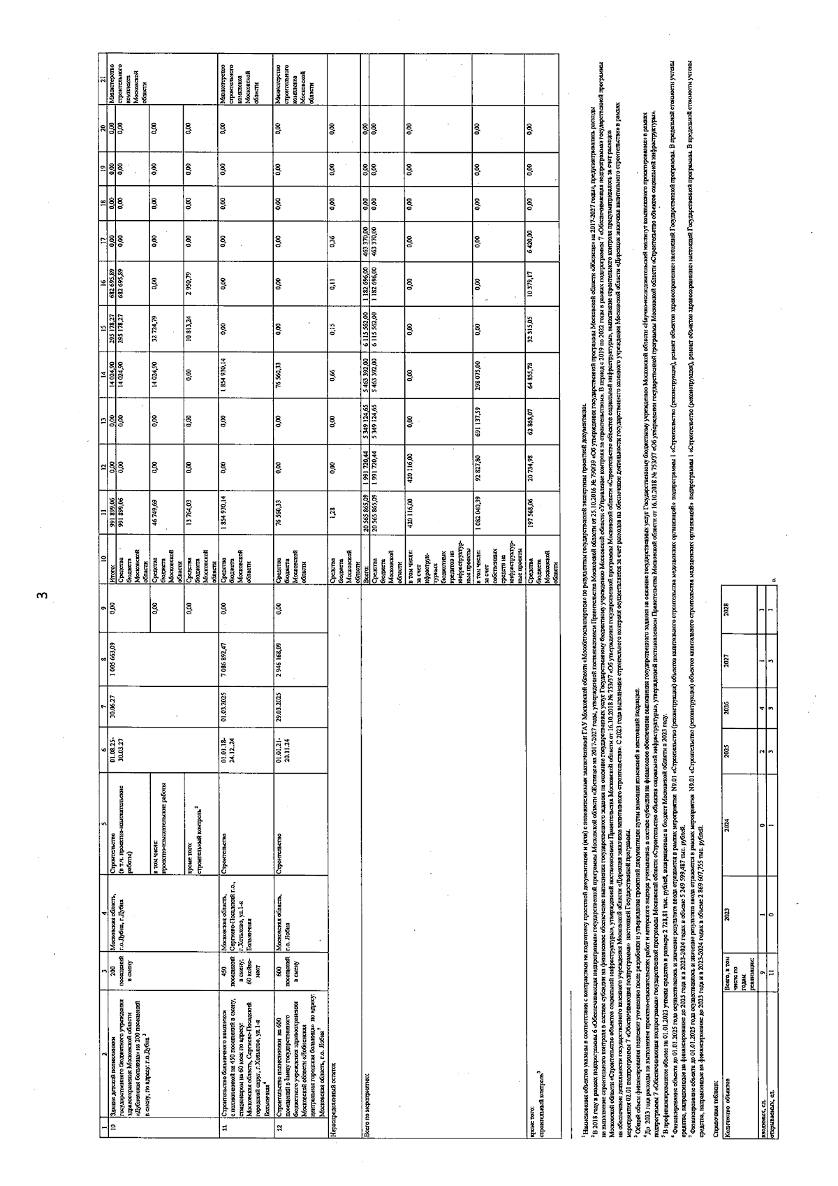
Постановление Правительства Московской области от 02.07.2025 № 769-ПП
"О распределении бюджетных ассигнований бюджета Московской области и внесении изменений в государственную программу Московской области "Строительство и капитальный ремонт объектов социальной инфраструктуры" на 2023-2030 годы"
Номер опубликования: 5000202507080004
Дата опубликования: 08.07.2025
Страница №26 из 54:
Увеличить