Официальное опубликование правовых актов
ОФИЦИАЛЬНОЕ ОПУБЛИКОВАНИЕ
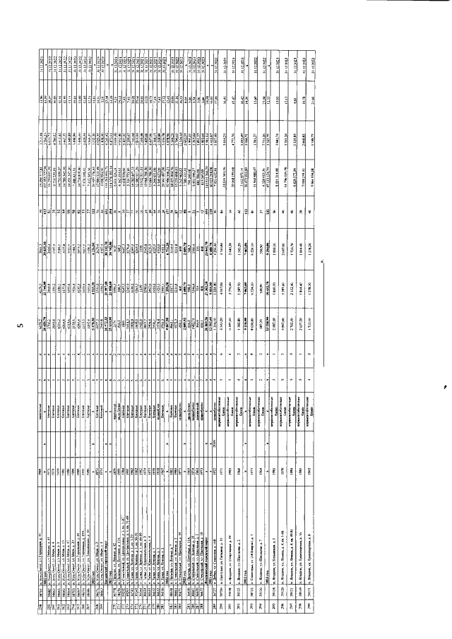
Постановление Правительства Магаданской области от 03.02.2022 № 73-пп
"О внесении изменений в постановление Правительства Магаданской области от 25 декабря 2020 г. № 937-пп "Об утверждении Краткосрочного плана реализации региональной программы "Капитальный ремонт общего имущества многоквартирных домов, расположенных на территории Магаданской области" на период по 2044 год" на 2021-2023 годы"
Номер опубликования: 4900202202110019
Дата опубликования: 11.02.2022
Страница №8 из 25:
Увеличить