Официальное опубликование правовых актов
ОФИЦИАЛЬНОЕ ОПУБЛИКОВАНИЕ
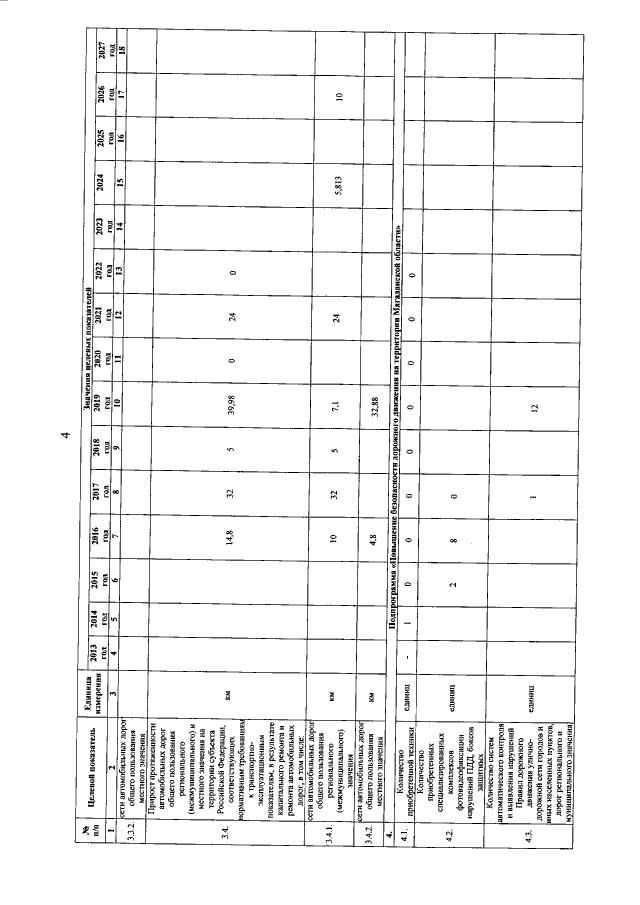
Постановление Правительства Магаданской области от 06.09.2021 № 662-пп
"О внесении изменений в постановление администрации Магаданской области от 20 ноября 2013 г. № 1145-па "Об утверждении государственной программы Магаданской области "Развитие транспортной системы в Магаданской области"
Номер опубликования: 4900202109080006
Дата опубликования: 08.09.2021
Страница №100 из 103:
Увеличить