Официальное опубликование правовых актов
ОФИЦИАЛЬНОЕ ОПУБЛИКОВАНИЕ
Постановление Правительства Магаданской области от 28.07.2021 № 577-пп
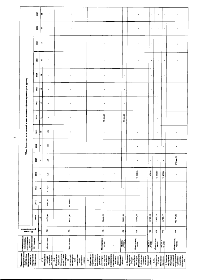
"О внесении изменений в постановление администрации Магаданской области от 20 ноября 2013 г. № 1145-па "Об утверждении государственной программы Магаданской области "Развитие транспортной системы в Магаданской области"
Номер опубликования: 4900202107280015
Дата опубликования: 28.07.2021
Страница №29 из 73:
Увеличить