Официальное опубликование правовых актов
ОФИЦИАЛЬНОЕ ОПУБЛИКОВАНИЕ
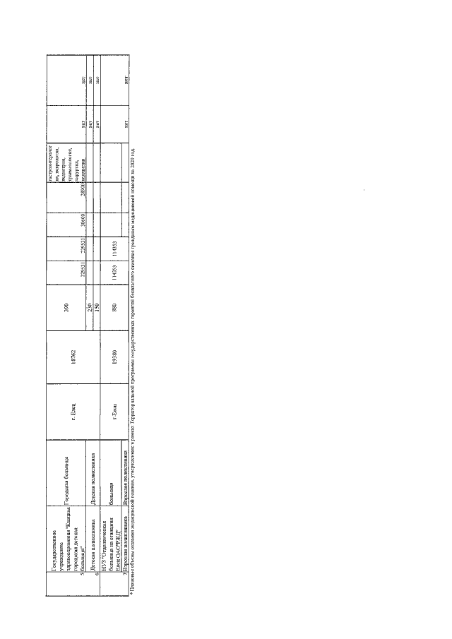
Постановление Правительства Липецкой области от 15.03.2023 № 135
"О внесении изменений в постановление администрации Липецкой области от 30 апреля 2013 года № 213 "Об утверждении государственной программы "Развитие здравоохранения Липецкой области"
Номер опубликования: 4800202303210019
Дата опубликования: 21.03.2023
Страница №160 из 691:
Увеличить