Официальное опубликование правовых актов
ОФИЦИАЛЬНОЕ ОПУБЛИКОВАНИЕ
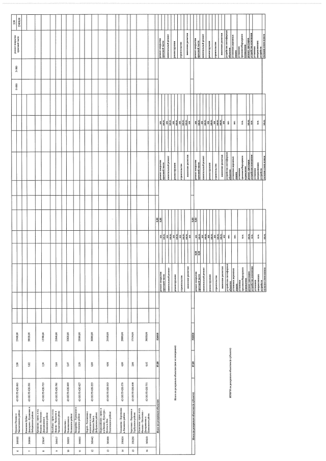
Постановление Правительства Липецкой области от 10.10.2022 № 199
"О внесении изменений в постановление администрации Липецкой области от 21 ноября 2013 года № 521 "Об утверждении государственной программы Липецкой области "Развитие транспортной системы Липецкой области"
Номер опубликования: 4800202210180004
Дата опубликования: 18.10.2022
Страница №167 из 265:
Увеличить