Официальное опубликование правовых актов
ОФИЦИАЛЬНОЕ ОПУБЛИКОВАНИЕ
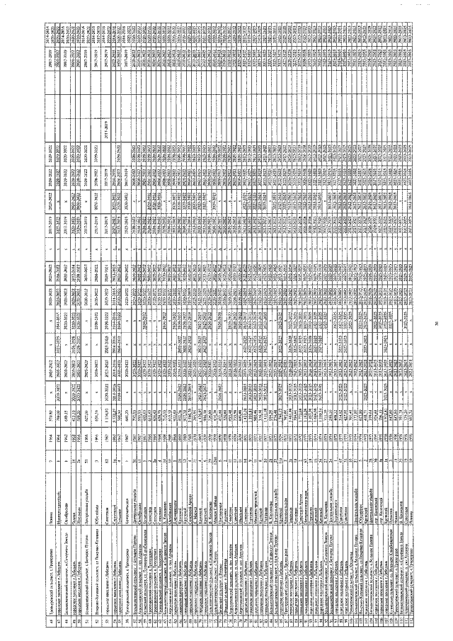
Постановление администрации Липецкой области от 20.12.2021 № 573
"О внесении изменений в постановление администрации Липецкой области от 28 ноября 2013 года № 528 "Об утверждении областной программы капитального ремонта общего имущества в многоквартирных домах, расположенных на территории Липецкой области"
Номер опубликования: 4800202112270013
Дата опубликования: 27.12.2021
Страница №36 из 106:
Увеличить