Официальное опубликование правовых актов
ОФИЦИАЛЬНОЕ ОПУБЛИКОВАНИЕ
Постановление администрации Липецкой области от 30.04.2020 № 270
"Об утверждении Схемы и программы развития электроэнергетики Липецкой области на 2021-2025 годы"
Номер опубликования: 4800202005080008
Дата опубликования: 08.05.2020
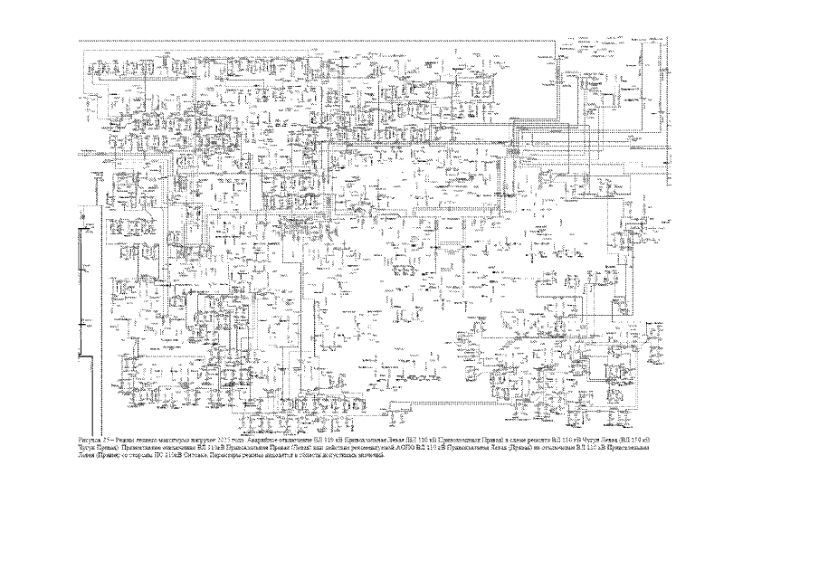
Страница №347 из 412:
Увеличить