Официальное опубликование правовых актов
ОФИЦИАЛЬНОЕ ОПУБЛИКОВАНИЕ
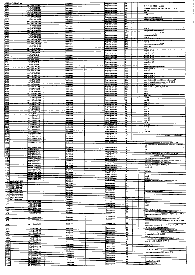
Приказ Департамента имущественных и земельных отношений Костромской области от 28.12.2021 № 107-од
"Об определении перечня объектов недвижимого имущества, в отношении которых налоговая база определяется как кадастровая стоимость"
Номер опубликования: 4401202112280002
Дата опубликования: 28.12.2021
Страница №19 из 76:
Увеличить