Официальное опубликование правовых актов
ОФИЦИАЛЬНОЕ ОПУБЛИКОВАНИЕ
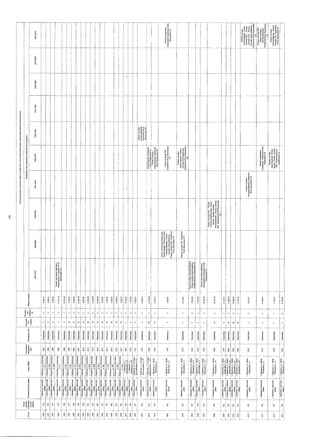
Постановление правительства Воронежской области от 30.12.2022 № 1035
"Об утверждении региональной программы капитального ремонта общего имущества в многоквартирных домах в Воронежской области на 2023-2052 годы"
Номер опубликования: 3600202301020020
Дата опубликования: 02.01.2023
Страница №192 из 364:
Увеличить