Официальное опубликование правовых актов
ОФИЦИАЛЬНОЕ ОПУБЛИКОВАНИЕ
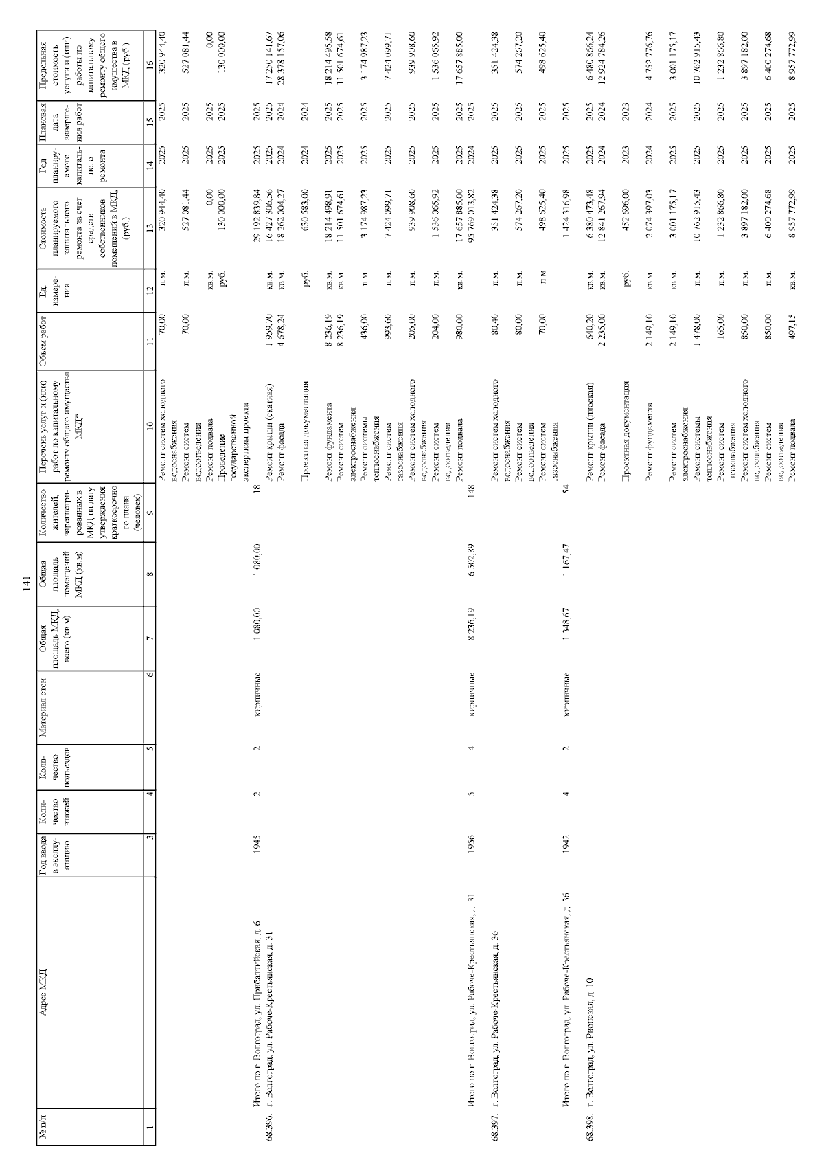
Приказ комитета жилищно-коммунального хозяйства Волгоградской области от 24.02.2025 № 20-ОД
"О внесении изменений в приказ комитета жилищно-коммунального хозяйства Волгоградской области от 29 апреля 2022 г. № 70-ОД "Об утверждении краткосрочного плана реализации региональной программы "Капитальный ремонт общего имущества в многоквартирных домах, расположенных на территории Волгоградской области", утвержденной постановлением Правительства Волгоградской области от 31 декабря 2013 г. № 812-п, на 2023-2025 годы"
Номер опубликования: 3401202502250014
Дата опубликования: 25.02.2025
Страница №142 из 303:
Увеличить