Официальное опубликование правовых актов
ОФИЦИАЛЬНОЕ ОПУБЛИКОВАНИЕ
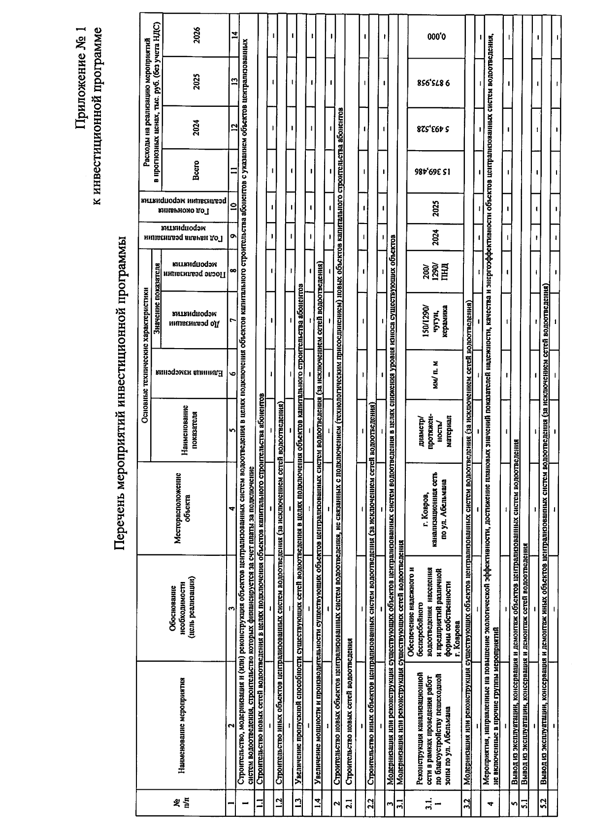
Приказ Министерства жилищно-коммунального хозяйства Владимирской области от 30.10.2023 № 128
"Об утверждении инвестиционной программы открытого акционерного общества "Завод им. В.А. Дегтярева" в сфере водоотведения муниципального образования город Ковров на период 2024—2026 гг."
Номер опубликования: 3301202311020004
Дата опубликования: 02.11.2023
Страница №10 из 19:
Увеличить