Официальное опубликование правовых актов
ОФИЦИАЛЬНОЕ ОПУБЛИКОВАНИЕ
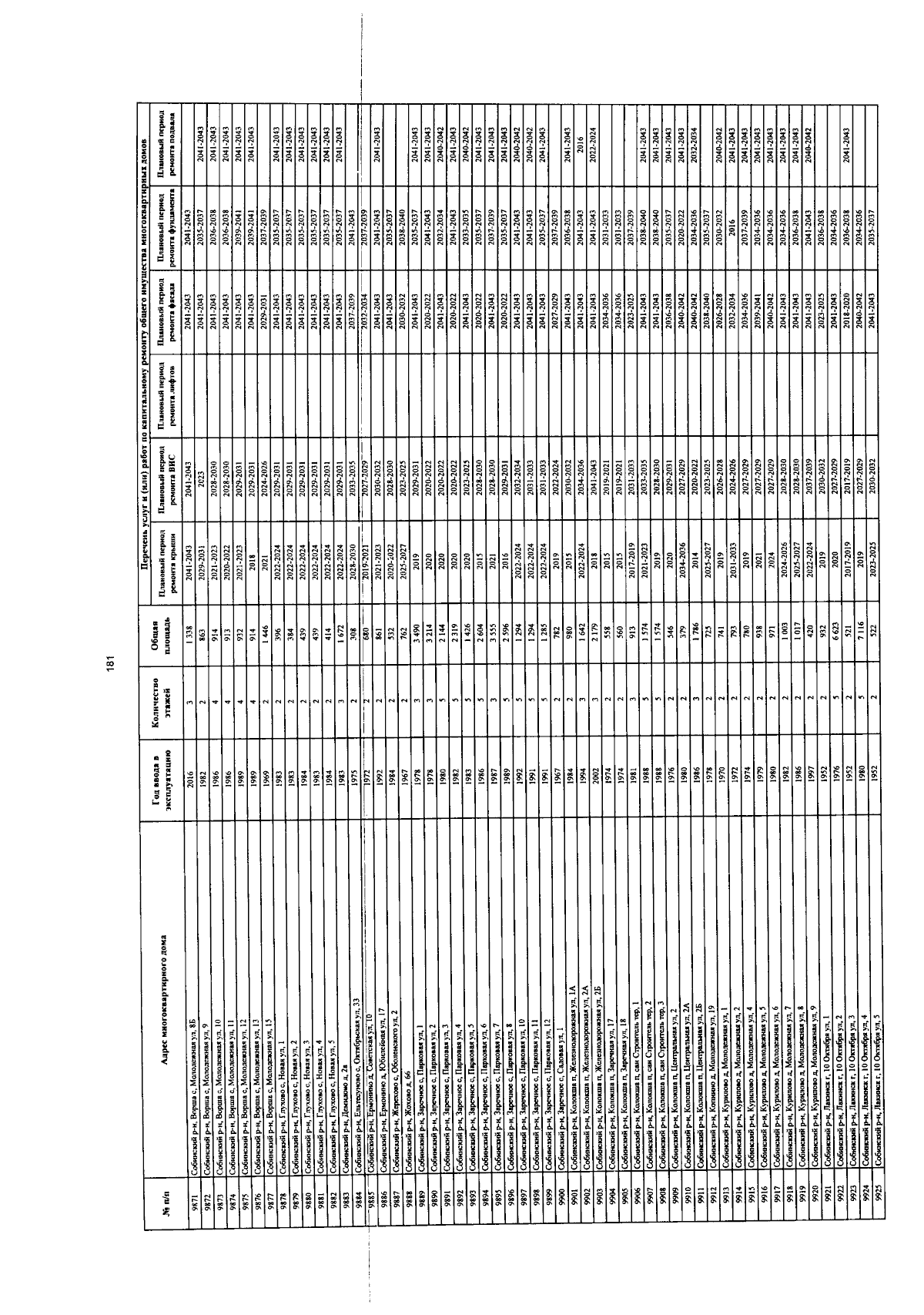
Постановление Правительства Владимирской области от 11.07.2024 № 414
"О внесении изменений в постановление Губернатора Владимирской области от 30.12.2013 № 1502"
Номер опубликования: 3300202407110003
Дата опубликования: 11.07.2024
Страница №202 из 227:
Увеличить