Официальное опубликование правовых актов
ОФИЦИАЛЬНОЕ ОПУБЛИКОВАНИЕ
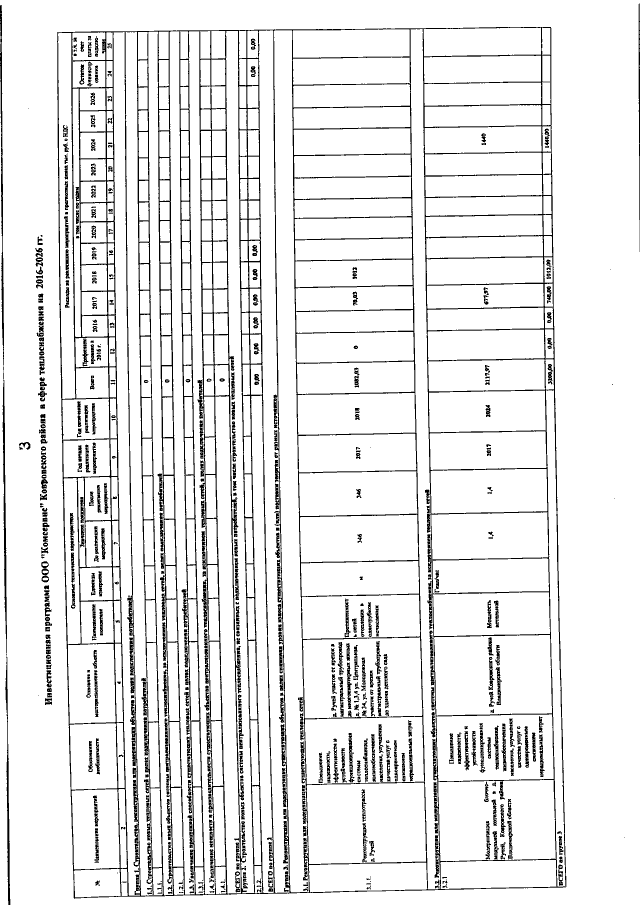
Распоряжение администрации Владимирской области от 18.12.2017 № 791-р
"О внесении изменений в распоряжение администрации области от 27.07.2016 № 373-р"
Номер опубликования: 3300201712190007
Дата опубликования: 19.12.2017
Страница №4 из 9:
Увеличить