Официальное опубликование правовых актов
ОФИЦИАЛЬНОЕ ОПУБЛИКОВАНИЕ
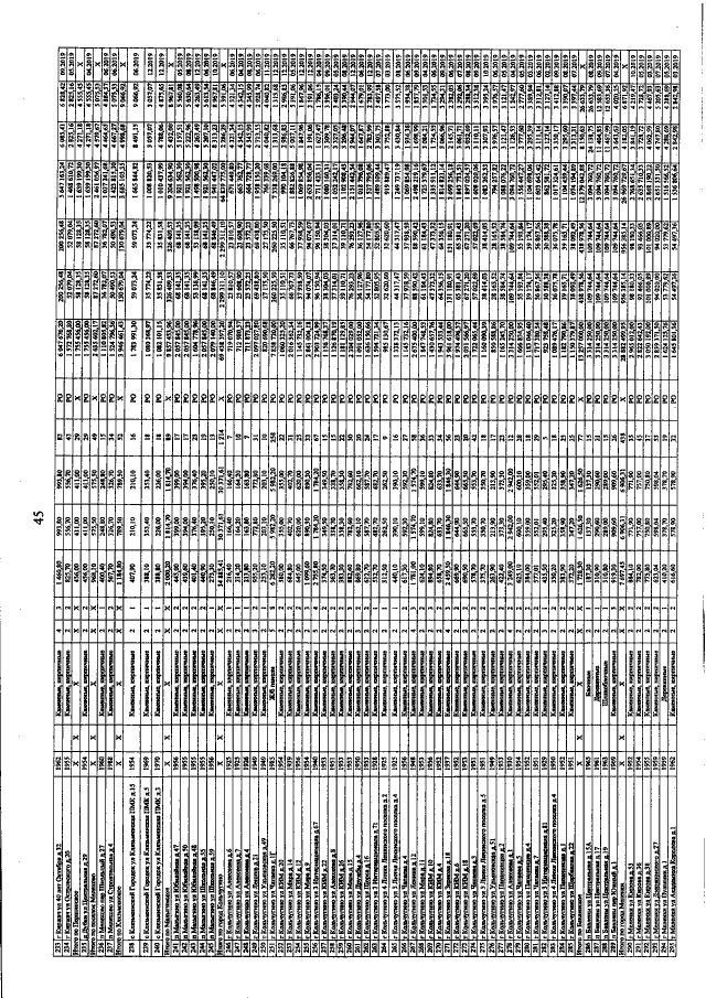
Постановление администрации Владимирской области от 12.12.2017 № 1049
"О внесении изменений в постановление администрации Владимирской области от 07.10.2016 № 887"
Номер опубликования: 3300201712150001
Дата опубликования: 15.12.2017
Страница №46 из 59:
Увеличить