Официальное опубликование правовых актов
ОФИЦИАЛЬНОЕ ОПУБЛИКОВАНИЕ
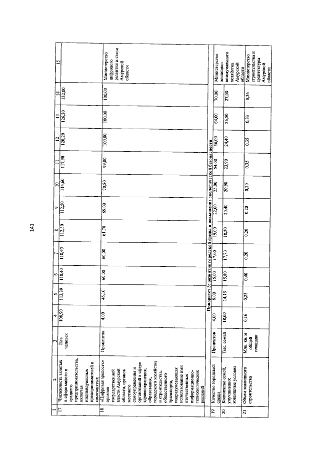
Постановление Правительства Амурской области от 24.04.2023 № 381
"Об утверждении Стратегии социально-экономического развития Амурской области на период до 2035 года"
Номер опубликования: 2800202304280001
Дата опубликования: 28.04.2023
Страница №143 из 167:
Увеличить