Официальное опубликование правовых актов
ОФИЦИАЛЬНОЕ ОПУБЛИКОВАНИЕ
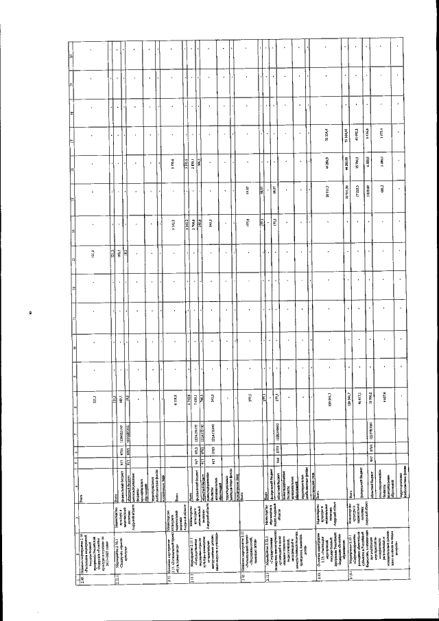
Постановление Правительства Амурской области от 22.05.2020 № 326
"О внесении изменений в постановление Правительства Амурской области от 25.09.2013 № 448"
Номер опубликования: 2800202005220008
Дата опубликования: 22.05.2020
Страница №84 из 100:
Увеличить