Официальное опубликование правовых актов
ОФИЦИАЛЬНОЕ ОПУБЛИКОВАНИЕ
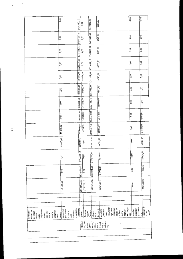
Постановление Правительства Амурской области от 23.04.2019 № 215
"О внесении изменений в постановление Правительства Амурской области от 25.09.2013 № 452"
Номер опубликования: 2800201904260007
Дата опубликования: 26.04.2019
Страница №22 из 49:
Увеличить