Официальное опубликование правовых актов
ОФИЦИАЛЬНОЕ ОПУБЛИКОВАНИЕ
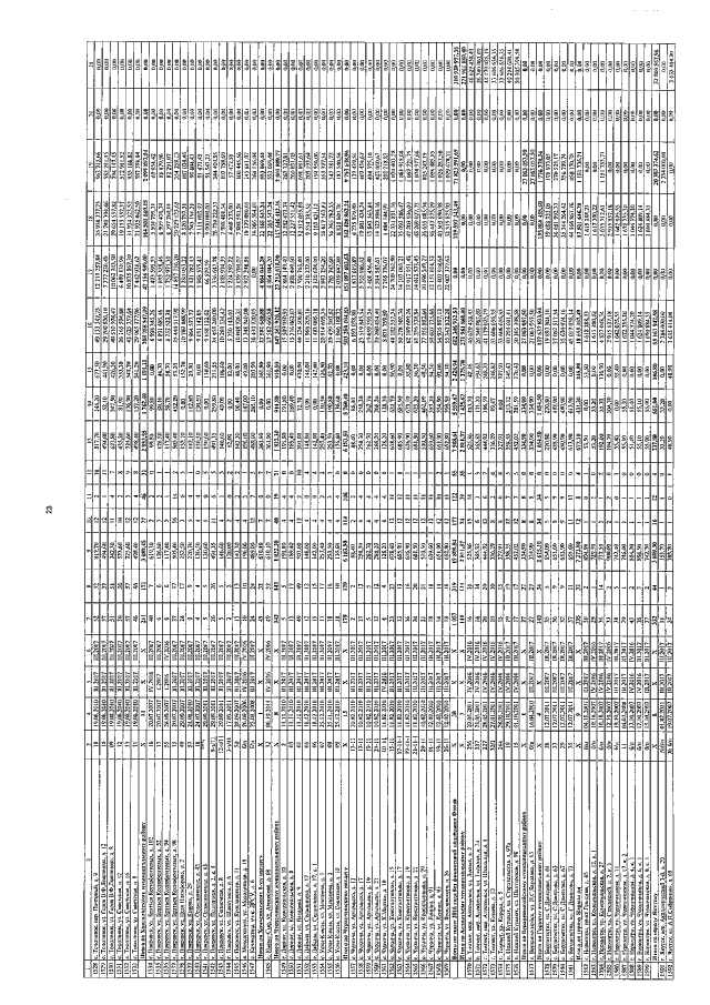
Постановление Правительства Республики Саха (Якутия) от 29.06.2021 № 230
"О внесении изменений в республиканскую адресную программу "Переселение граждан из аварийного жилищного фонда на 2013-2018 годы, в том числе с учетом необходимости развития малоэтажного жилищного строительства", утвержденную постановлением Правительства Республики Саха (Якутия) от 11 июня 2013 г. № 193"
Номер опубликования: 1400202107010003
Дата опубликования: 01.07.2021
Страница №42 из 71:
Увеличить