Официальное опубликование правовых актов
ОФИЦИАЛЬНОЕ ОПУБЛИКОВАНИЕ
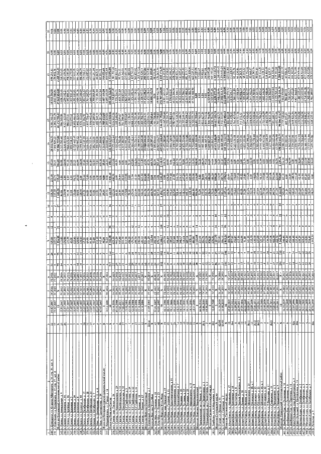
Постановление Правительства Республики Саха (Якутия) от 31.01.2018 № 22
"О внесении изменений в республиканскую адресную программу "Переселение граждан из аварийного жилищного фонда на 2013 – 2017 годы, в том числе с учетом необходимости развития малоэтажного жилищного строительства", утвержденную постановлением Правительства Республики Саха (Якутия) от 11 июня 2013 г. № 193"
Номер опубликования: 1400201802070007
Дата опубликования: 07.02.2018
Страница №91 из 104:
Увеличить