Официальное опубликование правовых актов
ОФИЦИАЛЬНОЕ ОПУБЛИКОВАНИЕ
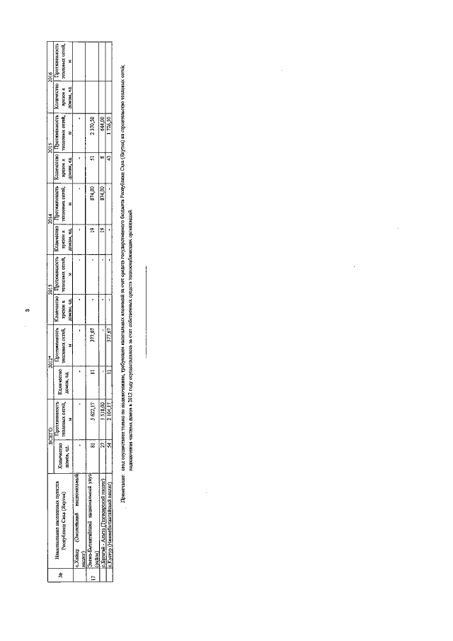
Указ Главы Республики Саха (Якутия) от 16.11.2016 № 1517
"О внесении изменений в Указ Президента Республики Саха (Якутия) от 12 октября 2011 г. № 970 "О государственной программе Республики Саха (Якутия) "Обеспечение качественными жилищно-коммунальными услугами и развитие электроэнергетики на 2012-2019 годы"
Номер опубликования: 1400201611220004
Дата опубликования: 22.11.2016
Страница №79 из 201:
Увеличить