Официальное опубликование правовых актов
ОФИЦИАЛЬНОЕ ОПУБЛИКОВАНИЕ
Постановление Правительства Республики Марий Эл от 18.02.2022 № 72
"О внесении изменений в постановление Правительства Республики Марий Эл от 14 сентября 2012 г. № 350"
Номер опубликования: 1200202202220002
Дата опубликования: 22.02.2022
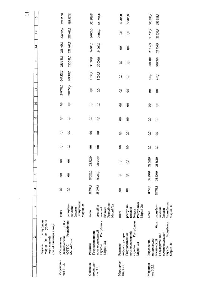
Страница №115 из 205:
Увеличить