Официальное опубликование правовых актов
ОФИЦИАЛЬНОЕ ОПУБЛИКОВАНИЕ
Постановление Правительства Республики Марий Эл от 28.12.2021 № 571
"О внесении изменения в постановление Правительства Республики Марий Эл от 30 ноября 2012 г. № 449"
Номер опубликования: 1200202112290001
Дата опубликования: 29.12.2021
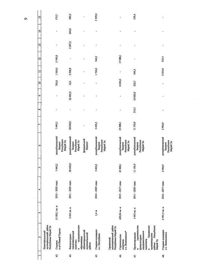
Страница №242 из 254:
Увеличить