Официальное опубликование правовых актов
ОФИЦИАЛЬНОЕ ОПУБЛИКОВАНИЕ
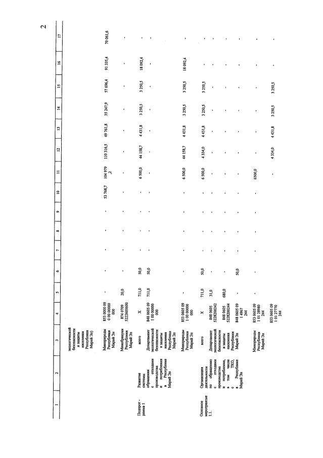
Постановление Правительства Республики Марий Эл от 25.06.2021 № 240
"О внесении изменений в постановление Правительства Республики Марий Эл от 15 октября 2012 г. № 398"
Номер опубликования: 1200202106280001
Дата опубликования: 28.06.2021
Страница №34 из 121:
Увеличить