Официальное опубликование правовых актов
ОФИЦИАЛЬНОЕ ОПУБЛИКОВАНИЕ
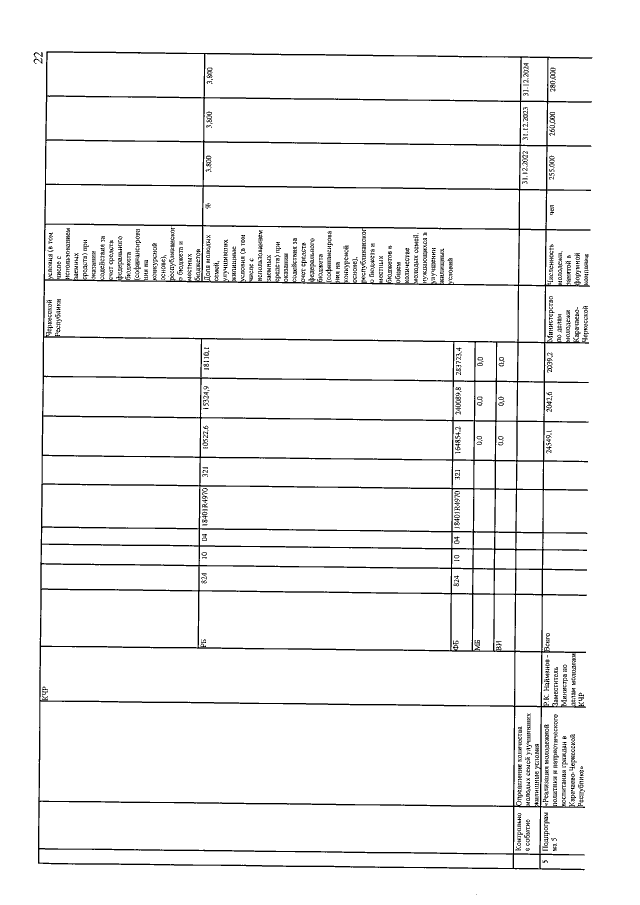
Постановление Правительства Карачаево-Черкесской Республики от 22.12.2022 № 376
"О внесении изменений в постановление Правительства Карачаево-Черкесской Республики от 31.01.2019 № 34 "О государственной программе "Развитие туризма, курортов и молодежной политики Карачаево-Черкесской Республики"
Номер опубликования: 0900202212290002
Дата опубликования: 29.12.2022
Страница №61 из 92:
Увеличить