Официальное опубликование правовых актов
ОФИЦИАЛЬНОЕ ОПУБЛИКОВАНИЕ
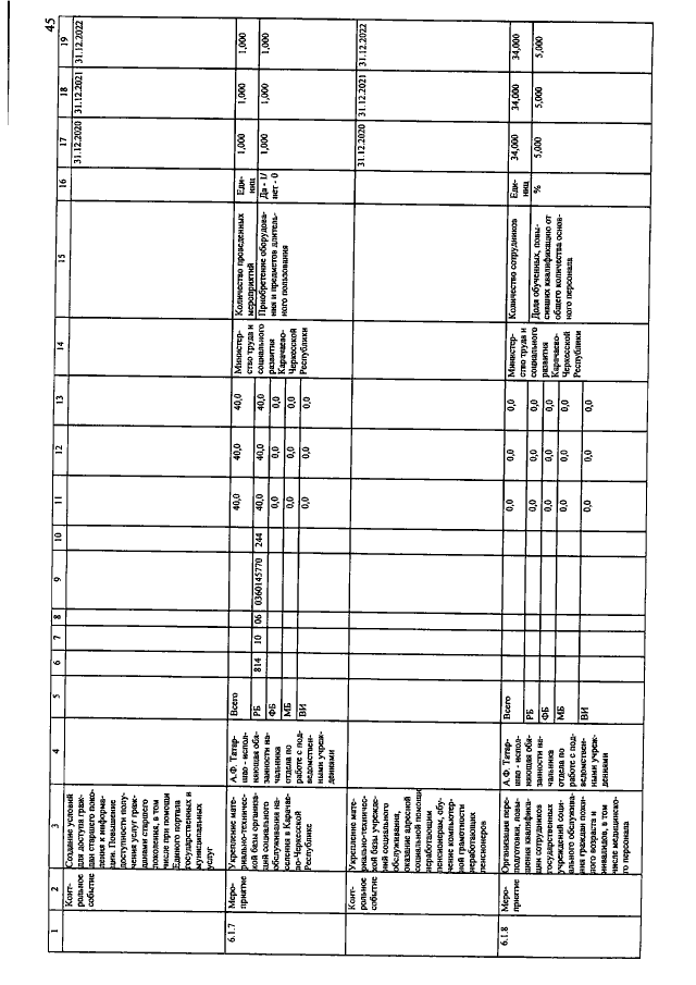
Постановление Правительства Карачаево-Черкесской Республики от 25.12.2020 № 302
"О внесении изменений в постановление Правительства Карачаево-Черкесской Республики от 22.01.2019 № 27 "О государственной программе "Социальная защита населения в Карачаево-Черкесской Республике"
Номер опубликования: 0900202012300001
Дата опубликования: 30.12.2020
Страница №85 из 101:
Увеличить